|
DIN-Buchsen der Serie "MGPR..." und "MGPRCS..." zur Gehäusemontage
|
| Unsere DIN-Buchsen der Serie "MGPR" und "MGPRCS" gehören schon lange zu unserem festen Lieferprogramm und sind größtenteils ab Lager Lieferbar, bzw. kurzfristig beschaffbar. Bitte nennen Sie uns Ihre speziellen Wünsche. Folgende Versionen und Ausführungen gehören zu unserem Kernprogramm: . |
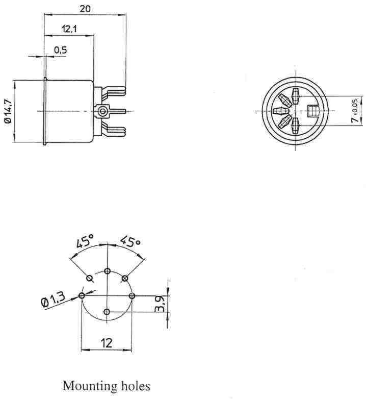
| Alle Buchsen der Serie MGPR haben folgende Gemeinsamkeiten: | ||
![]() |
Isolierkörper: | PA6 |
| Kontakte: | CuZn 37 + Ni + Sn | |
| Abschirmung: | Fe P04 + Ni | |
| Kontaktbelastung: | 4A | |
| Spannung: | 34V (DC) / 24V (AC) | |
| Temparaturbereich: | min -30°C / max +80°C | |
| Übergangswiderstand: | max 10mOhm | |
![]() |
||
So finden Sie die richtige Buchse:
| MGPR... | ||||||||
|
3
|
4
|
5
|
5K
|
5P
|
6
|
7
|
8
|
8-1
|
![]() |
![]() |
![]() |
![]() |
![]() |
![]() |
![]() |
![]() |
![]() |
Das komplette Infoblatt können Sie sich auch als PDF-Datei herunterladen. Download PDF.
| Alle Buchsen der Serie MGPRCS haben folgende Gemeinsamkeiten: | ||
![]() |
Isolierkörper: | PA6 |
| Kontakte: | CuZn 37 + Ni + Sn | |
| Abschirmung: | Fe P04 + Ni | |
| Kontaktbelastung: | 4A | |
| Spannung: | 34V (DC) / 24V (AC) | |
| Temparaturbereich: | min -30°C / max +80°C | |
| Übergangswiderstand: | max 10mOhm | |
![]() |
||
So finden Sie die richtige Buchse:
| MGPR...CS | ||||
|
3
|
5
|
5K
|
7
|
8
|
![]() |
![]() |
![]() |
![]() |
![]() |
|
Das komplette Infoblatt können Sie sich auch als PDF-Datei herunterladen. Download PDF. Die hier gezeigten Buchsen geben nicht unser komplettes Lieferspektrum wieder. |

















